欢迎您, 今天是 -      用户名 密 码 联系我们 设为首页
Alternate Text
重要通知  重要通知:
首页 - - 微创新案例

案例名称:采暖系统管网漏水报警器

发布: 2022-03-10     文章来源:     查看: 1881次

案例名称:采暖系统管网漏水报警器

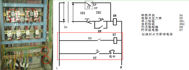
申报企业:西安紫薇物业管理有限公司

投入成本:200元/个

解决问题:基本上杜绝了采暖系统漏水发现不及时情况,提高了维保及时性,很好的保障了供热效果,节约成本,减少浪费。

案例描述:采暖系统正常运行的自动补水时间是有规律的,然而当管网漏水初期,其补水时间及频率相对频繁,主循环泵和换热器的运行噪音掩盖了补水泵的运行声音,较难发现异常情况。根据这一特点,对采暖系统的补水控制进行了改造,增加了补水时间报警装置,该装置对管网漏水能准确报警。将时间继电器的时间设置成比系统正常时补水时间稍大的值,当漏水发生时补水时间会延长,当大于设定时间时电铃通电会发出响声报警。

关闭
关闭