欢迎您, 今天是 -      用户名 密 码 联系我们 设为首页
Alternate Text
重要通知  重要通知:
首页 - - 微创新案例

案例名称:消防高位水箱补水阀改造

发布: 2022-03-10     文章来源:     查看: 2195次

案例名称:消防高位水箱补水阀改造

申报企业:青岛国信上实城市物业发展有限公司

投入成本:6000元/套

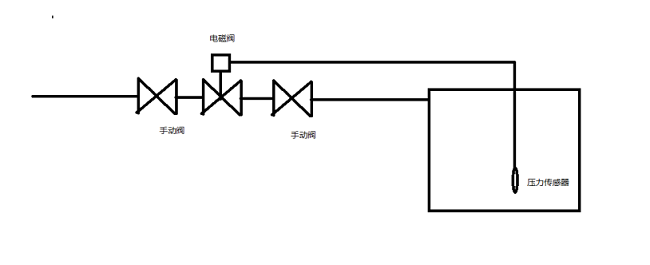
解决问题:解决原消防水箱采用机械式浮球阀常年浸泡在水中,易腐蚀损坏、维修不方便问题。

案例描述:消防水箱改用电磁阀替换机械浮球阀,用液位传感器控制电磁阀的开闭。根据管道的大小选择电磁阀在补水管道上进行安装,在电磁阀两侧加装手动控制阀方便后期对电磁阀进行维修更换,通过在水箱内放置压力传感器控制电磁阀的开关实现自动补水。本创新避免了检修水箱内机械浮球阀时需将水放掉的问题,避免了维修人员进入水箱存在有限空间作业风险,方便了管理人员对外部电磁阀的管理和后期维修工作。为公司申请专利一项、软件著作权一项。

关闭
关闭