欢迎您, 今天是 -      用户名 密 码 联系我们 设为首页
Alternate Text
重要通知  重要通知:
首页 - 发展研究中心 - 业界观点

智能照明控制系统的设计与实践

发布: 2024-10-24     文章来源:     查看: 5782次

from clipboard

进行智能照明改造后的地下车库

 

 / 陈国光(北京中电瑞达物业有限公司副总经理)

随着物联网和智能家居的快速发展,智能照明控制系统作为其核心组成部分,不仅提高了生活的便利性,更在节能减排方面显示出巨大的潜力,因此越来越受到人们的关注。但是,当前国内外对于智能照明控制系统的研究主要集中在控制算法优化、传感器精度提升以及系统集成方面,往往忽略了现实中的可行性和成本效益分析,导致理论成果难以在实际中得到广泛应用。此外,现有研究大多偏重于技术层面,对于用户体验和实际应用场景的考虑不足,使得系统的实用性和灵活性有待提高。针对现有研究的不足,本文将从以下几个方面展开工作:首先综合考虑成本和性能指标,选择适合的硬件平台和传感器类型,确保系统的实用性和经济性;其次设计易于操作的用户界面,并考虑到不同用户的需求,提高系统的适用性和灵活性;最后,通过实地测试和模拟实验,验证系统的稳定性和可靠性,确保其在不同环境下都能表现出良好的控制效果。

智能照明系统整体设计

智能照明控制系统的设计旨在通过高效且灵活的控制策略,实现对照明设备的智能调节,以达到节能和提升用户体验的目的。系统整体设计如图1所示,该系统以STM32F103系列单片机作为核心控制单元,结合传感器技术,能够根据不同环境变化和用户需求,自动调整照明亮度,从而在保证照明效果的同时降低能耗。

 

from clipboard

1 系统整体设计

 

系统设计首先考虑的是其主控制器的选择。STM32F103系列单片机因其高性能、低功耗以及成本效益高的特性被选中。该单片机基于ARM Cortex-M处理器架构,不仅拥有强大的数据处理能力,还提供了丰富的外设资源,为系统的多功能性和可扩展性提供了坚实的硬件支持。在传感器选择上,系统采用传感器来实现对环境的感知能力。传感器能够精确探测到车辆位置及与探测器之间的距离,为智能调节照明亮度提供准确的数据支持。系统软件设计方面,利用STM32单片机提供的丰富软件库和开发工具,可以快速开发出稳定高效的控制程序。

在系统硬件设计方面,结构如图2所示。LED灯具终端节点的电路设计是整个系统的基础,主要由控制电路和驱动电路组成。系统通过ZigBee网络与协调器通信,电源电路为整个节点提供必要的电力支持,而温度传感器电路则负责监测LED的温度,确保其在安全的工作范围内运行,同时为过温保护机制提供数据支持。照度传感器电路的作用是收集环境光照强度信息,这对于实现恒照度照明至关重要。驱动电路的设计同样关键,它包括AC/DC转换电路、PFC功率因数校正电路、DC/DC降压电路以及恒流源控制电路。这些电路共同工作,以确保LED灯具能够在不同的亮度级别下稳定运行。恒流源控制电路则根据微控制器输出的PWM信号调整输出电流的大小,从而实现对LED亮度的精确调节。

 

from clipboard

2 系统硬件结构

 

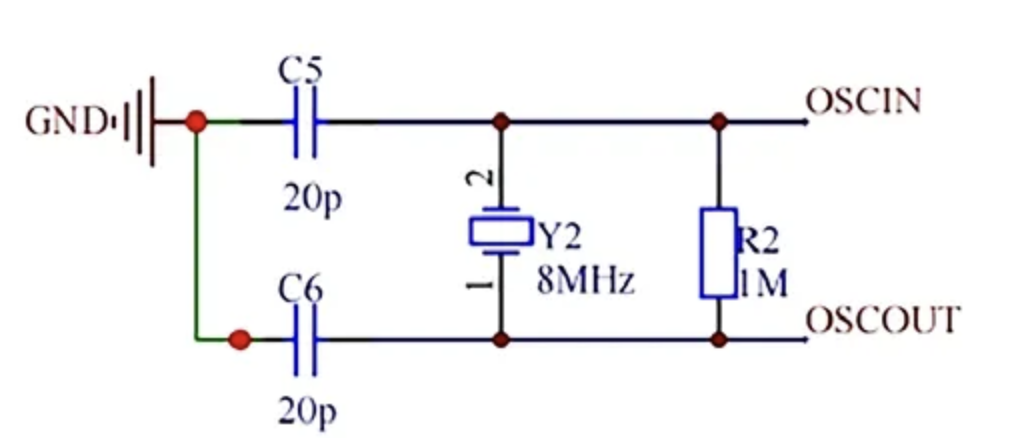
时钟电路在系统中的作用类似于计算机中的节拍器,它不仅控制着系统内部各个模块的工作节奏,还协调它们按照规定的顺序和时间运行,这对于实现系统的高效和稳定运行至关重要。系统时钟电路的核心是选用一个8MHz的晶振,这种晶振能够提供高精度的时钟信号,确保系统中各模块能够同步工作。其中时钟电路结构如图3所示。

 

from clipboard

3 时钟电路

 

在设计时钟电路时,除了选择合适的晶振外,还需要考虑到电路的布局和阻抗匹配问题。电路的布局应该尽量减少信号传输过程中的延迟和干扰,而阻抗匹配则是为了确保信号在传输过程中不会因为反射而导致失真,这些细节的处理与保证时钟信号的质量息息相关。此外,时钟电路还应该具备一定的抗干扰能力,以适应各种复杂的工作环境。

复位电路的核心功能是将整个系统恢复到其初始状态,确保系统能够从已知的状态重新开始操作,这对于系统的稳定运行和故障恢复至关重要。在本研究中,采用了一种简单而有效的低电平复位方式来实现这一功能。具体如图4所示,复位电路包括一个上拉电阻和一个开关,上拉电阻保证了在没有外部干预时RESET脚能够维持在高电平状态,而开关则连接在RESET脚和地之间,当开关被闭合(即按键被按下)时,RESET脚直接接地,从而实现了低电平的输入。

 

from clipboard

4 复位电路

 

在智能照明控制系统的设计与实践研究中,电源模块的设计是确保系统稳定运行的基础。该电源模块主要负责向系统中的关键组件:主控STM32芯片、雷达传感器HLK-LD012-5G模块以及CAN收发器TJA1050芯片提供所需的电力供应。为了满足不同组件的电压需求,设计中采用了两种稳压芯片:AS1117-3.3V用于输出3.3V电压,而78M05则用于提供5V电压。对于需要3.3V供电的组件,设计中引入了AS1117-3.3V稳压器,该稳压器能够接收来自78M05稳压器输出的5V直流电压,并将其降至稳定的3.3V输出,满足这些敏感元件的供电需求。

智能照明系统软件设计

智能照明控制系统的设计与实践研究主程序设计,首先需要对STM32单片机进行系统初始化,根据上位机的选择,确定系统工作在自动控制模式还是手动控制模式。在手动控制模式下,操作人员可以通过上位机界面对灯具进行开通与关闭操作。为了应对紧急情况如火灾等,系统会立即点亮所有灯具,以便人员逃生和寻找火源。此外,还可以通过上位机界面设置灯具的亮度,实现灵活的照明控制,其中系统主程序流程如图5所示。

 

from clipboard

5 系统主程序流程

 

在自动控制模式下,雷达传感器检测电路开始工作,实时采集车辆及人员位置信息。当有物体运动到雷达传感器的感应范围内时,系统会根据物体的距离和速度计算出相应的亮度值,并通过调节PWM占空比来控制LED灯的亮度。具体来说,当物体靠近时,灯具亮度逐渐增加;当物体远离时,灯具亮度逐渐降低,这样既能满足照明需求,又能降低能耗。

为了实现上述功能,需要编写相应的C语言程序代码。首先,在Keil uVision5 MDK软件中创建一个新的项目,并配置好STM32单片机的相关参数。按照功能模块划分编写各个子程序,在编写过程中,要注意代码的可读性和可维护性,遵循一定的编程规范。最后,将编写好的程序烧录到STM32单片机中,并与实际的硬件系统进行联调。通过实验验证,确保系统能够正常运行并实现预期的功能。

上位机模块设计则采用USARTHMI软件进行开发。在上位机模块设计中,首先打开USARTHMI软件,创建一个新的文件,根据所选显示屏的尺寸型号进行设置,确保界面设计与实际屏幕相匹配。接下来,选择显示的方向,以及文字的编码方式,考虑到中文输入法的支持,文字编码采用GB2312,以避免输入时出现文字错误。完成这些基本设置后,点击OK,即可完成工程的建立。接下来,在USARTHMI软件中设计人机交互界面,利用软件提供的工具和控件,如按钮、滑块、文本框等,设计简洁直观的操作界面。

设计完成后,使用USARTHMI软件生成相应的代码,将代码与STM32单片机进行通信连接,实现上位机与下位机的数据传输和指令控制。通过串口通信功能,上位机可以实时向下位机发送控制指令,并接收下位机的反馈信息。最后,对上位机模块进行测试和验证,通过实际操作验证界面设计的合理性和易用性,确保上位机能够准确、稳定地向下位机发送控制指令。同时,检查上位机接收到的反馈信息是否准确无误,以保证整个智能照明控制系统的稳定性和可靠性。

在智能照明控制系统的设计与实践研究中,系统应用效果分析是一个关键的环节,本文通过对地下停车场的实际应用测试,对智能照明控制系统的性能进行了全面的评估。实验场地设在一个地下停车场,共分为5个区域,每个区域安装了3盏灯。在将程序写入电路板并进行现场测试后,测试观测数据显示,当有人通过时,灯光亮度能够自动调节到100%,为行人提供充足的照明;而在无人通过时,系统则维持较低的亮度,避免了不必要的能源浪费,实现了“按需照明”的目标。

此外,当不同的行人同时通过时,系统也能够根据不同的情况展示出相同的照明效果。根据实验结果,与传统荧光灯照明系统相比,LED照明系统在节约能源方面具有显著的优势。即使不使用智能控制,LED照明系统也能够节约约50%的能源。然而,在加入智能控制后,节约的能源量可以进一步提高10%至20%,这得益于智能控制系统能够确保照明系统在适当的时间自动开启和关闭,并根据不同信息实现智能化控制。

结论

本文的研究和实践表明,智能照明控制系统在提高能源利用效率和增强用户体验方面具有显著的优势。实验测试表明,系统能够根据环境变化和用户需求自动调整亮度,与传统荧光灯系统相比,LED照明在加入智能控制后能进一步节约约10%至20%的能源。同时,智能照片控制系统也为未来工作指明了方向。例如,当前系统主要侧重于单一场景下的应用,而智能家居环境下的多场景联动控制仍是一个有待进一步探索的领域。此外,随着人工智能和机器学习技术的迅猛发展,如何将这些先进技术有效融入智能照明控制系统中,以实现更为智能化的照明控制,也是未来研究的重要内容。

关闭
关闭